Table des matières
Connecter son compteur Linky
L'idée est de connaitre en temps réel sa consommation électrique Du coup, on peut:
- Afficher les données, les courbes, les graphes
- Utiliser la consommation instantanée dans les scénarios de chauffage, pour ne pas allumer un radiateur si par rapport au contrat il n'y a pas assez (délestage logiciel)
- etc.
Exemples
Monitor
Domoticz
Consommation par mois depuis le début de l'année en heures creuses en heures pleines et total des 2
La même chose sous forme de graphique
Courbe de la consommation des 3 derniers jours
Courbe de consommation sur l'année
Principes
la sortie téléinfo du Linky est une sorte de lien série RS232 qui envoie en permanence de nombreuses informations.
EDF publie le contenu de ce protocole “Sorties de télé-information client des appareils de comptage électroniques utilisés par ERDF” , ce document se nomme: ERDF-NOI-CPT_02E.pdf, et selon votre type d’abonnement, vous pouvez récupérer les informations suivantes :
- ADCO : Identifiant du compteur
- OPTARIF : Option tarifaire (type d’abonnement)
- ISOUSC : Intensité souscrite
- BASE : Index si option = base (en Wh)
- HCHC : Index heures creuses si option = heures creuses (en Wh)
- HCHP : Index heures pleines si option = heures creuses (en Wh)
- EJP HN : Index heures normales si option = EJP (en Wh)
- EJP HPM : Index heures de pointe mobile si option = EJP (en Wh)
- BBR HC JB : Index heures creuses jours bleus si option = tempo (en Wh)
- BBR HP JB : Index heures pleines jours bleus si option = tempo (en Wh)
- BBR HC JW : Index heures creuses jours blancs si option = tempo (en Wh)
- BBR HC JW : Index heures pleines jours blancs si option = tempo (en Wh)
- BBR HC JR : Index heures creuses jours rouges si option = tempo (en Wh)
- BBR HP JR : Index heures pleines jours rouges si option = tempo (en Wh)
- PEJP : Préavis EJP si option = EJP 30mn avant période EJP
- PTEC : Période tarifaire en cours
- DEMAIN : Couleur du lendemain si option = tempo
- IINST : Intensité instantanée (en ampères)
- ADPS : Avertissement de dépassement de puissance souscrite (en ampères)
- IMAX : Intensité maximale (en ampères)
- PAPP : Puissance apparente (en Volt.ampères)
- HHPHC : Groupe horaire si option = heures creuses ou tempo
- MOTDETAT : Mot d’état (autocontrôle)
Une trame commence toujours par l’étiquette ADCO et se termine par le MOTDETAT. Chaque message, ou ligne, d’une trame est formé de la manière suivante : ETIQUETTE espace VALEUR espace CHECKSUM Seules l’ETIQUETTE et la VALEUR nous seront utiles. La CHEKSUM, ou somme de contrôle sert uniquement à vérifier l’intégrité que la trame.
Il existe de nombreux site abordant ce sujet
Le principe est donc d'adapter cette sortie Linky avec une entrée UART du Raspberry et de récupérer le flux de données. Ces données sont ensuite récupérées et mises en base de données par Domoticz
Matériels
Compteur Linky
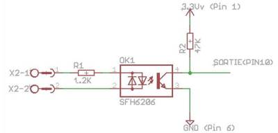
Schéma de principe
Montage
Comme je n'avais pas d'optocoupleur SFH620A, j'ai pris 2 PC817 en tête bèche.
Liste des composants
Logiciel domotique
Domoticz
J'ai choisi le logiciel Open Source Domoticz pour les raisons suivantes:
- Le seul qui n'a pas besoin de serveur, il est donc indépendant
- On peut faire des réseaux, c'est le cas chez moi où 2 Raspberry assure le fonctionnement complet de la maison
- Il y a une communauté très active
- Il est ouvert à tous les protocoles
- Il permet le développement en langage LUA
- Il permet d'utiliser le shell du système d'exploitation qui l'héberge permettant donc la possibilité d'utiliser n'importe quoi comme interface. J'ai par exemple réussi à utiliser une vielle centrale X10 en RS232 via un vieux code linux, le tout ayant plus de 25 ans.
Je ne décris pas ici l'installation et l'utilisation de Domoticz mais seulement les particularités liées au sujet.
Ajouter nouveau matériel de type Téléinfo EDF
le widget téléinfo EDF
Logs qui arrivent en temps réel:
Cette page a été consultée : Aujourd'hui: 1 Hier: 4 Jusqu'à maintenant: 1286



